Let op: Je bekijkt nu informatie uit een oud examenjaar. Ga naar het huidige examenjaar

Vakspecifieke informatie produceren, installeren en energie vmbo bb, kb en gl

Laatste update

Deze informatie maakt deel uit van de Septembermededeling/Februari-aanvulling/Maartaanvulling van het College voor Toetsen en Examens.

Veranderingen t.o.v. 2021 zijn geel gemarkeerd.

De veranderingen naar aanleiding van de Februari-aanvulling zijn blauw gemarkeerd.

De cspe’s worden in dit schooljaar weer als centraal examen afgenomen. Hierover zijn de scholen in juli 2021 via een mededeling vanuit Examenblad geïnformeerd. Een reminder hierover, eveneens vanuit Examenblad, is in augustus verstuurd.

Naar aanleiding van het debat van de Vaste Kamercommissie Onderwijs op 26 januari is de maatregel voor het gebruik van het cspe nogmaals aangepast. De minister heeft deze maatregel op 16 februari 2022 bekend gemaakt in de onderstaande Kamerbrief en servicedocument.

Net als in 2021 wordt het beroepsgerichte profielvak met alleen een schoolexamen afgesloten. Hierbij kan gebruik gemaakt worden van het cspe 2022. Nadere informatie over de examinering van het beroepsgerichte profielvak staat in:

De brochure Examinering beroepsgerichte profielvakken 2022: inzet cspe in het schoolexamen bevat regels, richtlijnen en informatie over hoe scholen het cspe kunnen inpassen in hun schoolexamen. Daarnaast staan in deze brochure aandachtpunten en een checklist voor het aanpassen van het PTA.

Deze brochure vervangt de op 24 januari gepubliceerde brochure waarvan de inhoud nog gebaseerd was op de setting dat het profielvak zou worden afgesloten met ook een centraal examen bestaande uit twee onderdelen van het cspe.

Wat is nieuw?

In 2019 is het cspe voor het laatst als centraal examen afgenomen. Daarom is ervoor gekozen hier, als dat nodig is ook informatie te geven die mogelijk niet volstrekt nieuw is, maar wel als nieuw kan worden ervaren.

Zending A en zending C van de cspe’s komen beschikbaar via de Cito Portal. De inhoud van deze zendingen kan via de portal gedownload worden.

Afnameperiode:

De afnameperiode is in 2022 verlengd en loopt van 16 februari tot en met 22 juli. Het tijdstip van beschikbaarstelling van examendocumenten voor de voorbereiding op en afname van de cspe’s in 2022 is hierop afgestemd. Zie ook de activiteitenplanning op Examenblad.nl.

Vanaf 2022 is een woordenboek Nederlands toegestaan als hulpmiddel bij de cspe’s.

In2022 wordt voor het eerst bij alle cspe’s een onderdeel van het cspe vanuit Facet afgenomen. Examensecretarissen en examinatoren zijn hierover nader geīnformeerd via webinars die georganiseerd zijn in het najaar van 2021. De opnames van deze webinars en de bijbehorende presentaties zijn terug te vinden op de website van SPV.

Algemene informatie en aandachtspunten

Correctievoorschrift deel ‘Algemene richtlijnen en aanwijzingen’ op de examenpagina van de profielvakken.

Vanaf 2019 is van de Instructie voor de Examinator het deel ‘Algemene richtlijnen en aanwijzingen’ geplaatst op de examenpagina van elk van de afzonderlijke profielvakken. In zending A zijn alleen nog de specifieke delen Instructie voor de Examinator per onderdeel meegestuurd. Vanaf 2020 wordt ook van het correctievoorschrift het deel ‘Algemene richtlijnen en aanwijzingen’ op de examenpagina van elk afzonderlijk profielvak geplaatst. In zending C profielvak-cspe’s worden alleen nog de beoordelingsmodellen per onderdeel meegestuurd.

Vanwege de situatie dat het beroepsgerichte profielvak ook in 2022 wordt afgesloten met alleen een schoolexamen, geldt dat de richtlijnen in dit document de status advies hebben. Dit geldt niet voor de richtlijnen voor geheimhouding. De richtlijnen voor geheimhouding blijven onverkort van kracht.

Onderdeel in Facet

Bij de profielvak-cspe’s PIE worden twee onderdelen vanuit Facet aangeboden.

Let op!

De Facet opdrachten van de onderdelen:

  • PIE blauw gl 2022 onderdeel B
  • PIE rood gl 2022 onderdeel B

zijn volledig automatisch scoorbaar. Er hoeft bij deze onderdelen dus geen handmatige correctie plaats te vinden. Bij andere onderdelen vanuit Facet in de cspe’s is handmatige correctie van opdrachten in Facet wel aan de orde.

Digitale versie van beoordelingsmodel voor de cspe’s bb, kb en gl van BWI, D&P, MVI en PIE

Voor de cspe’s bb, kb en gl van PIE is naast een papieren versie ook een digitale versie van het beoordelingsmodel per onderdeel beschikbaar. Als service wordt het digitale beoordelingsmodel beschikbaar gesteld gelijktijdig met zending C. Voor meer informatie, zie ‘Toelichting servicedocument: een digitale versie van het correctievoorschrift bij het cspe’.

Online applicaties

Wij hebben van diverse scholen signalen ontvangen dat zij tijdens de lessen gebruikmaken van online-applicaties. Wij staan daarom vanaf het examenjaar 2020 onder voorwaarden toe om deze applicaties ook tijdens de afname van de cspe’s te gebruiken, zie het document ‘Digitaal toetsen en examineren: Facet en cspe- applicaties 2022’ en ‘Voorwaarden gebruik online applicaties bij cspe’s’.

Gebruik lasersnijder en plasmasnijder niet toegestaan

Het is niet toegestaan dat leerlingen een laser- en plasmasnijder gebruiken tijdens de afname van de cspe’s PIE bb, kb en gl.

Toelichting:

De constructie van de profielvak-cspe’s 2022 is gebaseerd op de syllabus PIE 2022. Examenopdrachten moeten binnen de reikwijdte van de inhoud beschreven in de syllabus blijven. Het examineren van vaardigheden met betrekking tot het gebruik van de lasersnijder en plasmasnijder bij het maken van een technisch werkstuk valt buiten de inhoud van de syllabus. Bij het construeren van de opdrachten en daarmede vanzelfsprekend ook het correctievoorschrift (cv) kon daarom geen rekening gehouden worden met het gebruik van lasersnijder en plasmasnijder.

Voorlichting voorbereiding op en afname van cspe’s

Voor 2022 zal de voorlichting in de vorm van webinars plaatsvinden. Via onder meer de Stichting Platforms vmbo worden de scholen tijdig nader geīnformeerd over deze voorlichtingsactiviteiten.

Deze voorlichtingsactiviteiten hebben inmiddels in de vorm van webinars plaatsgevonden. De opname van het algemene deel van de webinars en de bijbehorende presentatie zijn terug te vinden op de website van SPV onder het kopje: CSPE voorlichtingen.

Examenstof

De examenstof voor het centraal praktische examen is beschreven in de syllabus. De syllabus is een uitwerking van het examenprogramma. De syllabus is leidend (niet de educatieve methode).

Voorbeeld-cspe’s op Examenblad.nl

Op de examenpagina’s onder de jaarringen van voorgaande jaren (vanaf 2016) is onder ‘Examendocumenten’ een overzicht beschikbaar met examendocumenten van het betreffende jaar. Deze in voorgaande jaren afgenomen examens kunnen worden gebruikt als oefenexamen. Cspe’s van 2020 zijn niet beschikbaar als oefenexamen en mogen hiervoor ook niet gebruikt worden. Hierover zijn alle scholen geīnformeerd.

Afnameperiode

De cspe’s kunnen worden afgenomen van 16 februari t/m 22 juli 2022, zie het interactief rooster en de activiteitenplanning op Examenblad.nl.

Twee versies per profielvak-cspe

Bij de afname worden in de afnameperiode twee versies, een rode en een blauwe, ingezet. Op de onderwerppagina ‘werken met twee profielvak-cspe’s’ vindt u de informatie hierover, waaronder meer de brochure ‘Werken met twee profielvak-cspe’s’.

Als een school het cspe (of onderdelen daarvan) inzet in het schoolexamen, dan is het toegestaan om af te wijken van de aangewezen versie-kleur. In zending B is echter het aantal verstrekte examendocumenten gebaseerd op de aan de school toegewezen versiekleur voor eerste afname. Alleen hiervan wordt standaard het aantal opdrachtenboekjes in kandidaataantallen geleverd. Als scholen gebruik maken van de mogelijkheid om één of meer (onder)delen van het cspe in te zetten in het schoolexamen, gelden onverkort de richtlijnen voor de geheimhouding in de Instructie voor de Examinator.

De brochure Werken met twee profielvak-cspe’s is gepubliceerd in september 2021 met de gedachte dat de cspe’s in 2022 centrale examens zouden zijn. Nu de cspe’s de status schoolexamen hebben, is een deel van de informatie in de brochure niet meer van toepassing.

Van deze brochure wordt geen nieuwe versie toegespitst op cspe-status schoolexamen uitgebracht. In de situatie dat gebruikgemaakt wordt van cspe’s bij het schoolexamen, is het nog altijd waardevol de inhoud van de brochure te kennen. Zie de brochure vooral als een handreiking bij de inzet van cspe-onderdelen bij het schoolexamen.

Overzicht onderdelen en ICT

Vanaf 1 november is onder het kopje ‘Specifieke informatie per versie’ het overzicht onderdelen en ICT beschikbaar. In het overzicht is ook de examenduur weergegeven.

Richtlijnen

De richtlijnen hebben in schooljaar 2021-2022 de status advies. Dit geldt niet voor de richtlijnen voor de geheimhouding. De richtlijnen voor de geheimhouding blijven onverkort van kracht.

De Instructie voor de Examinator bevat richtlijnen voor de voorbereiding, de uitvoering en de beoordeling. Het deel algemene richtlijnen en aanwijzingen vindt u op de Examenpagina van dit vak. De onderdeelspecifieke instructie voor de examinator maakt deel uit van zending A.

Tot de Instructie voor de Examinator behoort ook de Instructie voor de Kandidaat. De instructie voor de kandidaat bestaat bij de profielvakken uit twee delen:

  • Een openbare algemene instructiefilm voor alle profielvak-cspe’s waarin de kandidaat geīnformeerd wordt over de opzet van het profielvak-cspe.
  • Profielvak-specifieke animaties voor elke versie van een onderdeel van een cspe. De animaties maken deel uit van zending C. In de specifieke animaties wordt geduid waar het cspe onderdeel over gaat en welke opdrachten de kandidaat gaat maken. Dit zonder dat de concrete inhoud van de opdracht vermeld wordt. Kandidaten mogen deze animaties alleen inzien met inachtneming van de richtlijnen die zijn aangegeven in de Instructie voor de Examinator over de Instructie voor de Kandidaat. Van de animaties is ook een papieren versie 'Instructie voor de Kandidaat' beschikbaar.

Bij de afname moeten de richtlijnen voor het omgaan met examentijd in acht genomen worden.

Zie hiervoor het document: ‘Richtlijnen examentijd cspe’. Onder ‘? Vragen’ op de examenpagina vindt u daarnaast een concrete uitwerking van hoe scholen hier in de praktijk mee om kunnen gaan.

Het is van belang dat de examinator alle opdrachten zelf maakt voordat hij start met de afname van het cspe. De examinator mag daartoe vanaf 10 werkdagen voorafgaand aan de start van de afname op de school een kandidaatexemplaar (zending B) inzien.

Zending A van het profielvak-cspe is vanaf 11 januari 2022 via de Cito Portal beschikbaar voor de scholen. Zending A voor de profielvak-cspe’s bevat zogenaamde ‘grijze vlekken exemplaren’. Aan de hand van zending A (zie 5.6.2 van de Septembermededeling) kunnen examinatoren en de examensecretaris de organisatie van het cspe afstemmen.

Zending B voor de scholen van de profielvak-cspe’s vmbo bb, kb en gl bevat de pakketten met de opgaven voor de kandidaten. De verzending van zending B vindt vanuit DUO plaats. Deze zending wordt 7 februari op de scholen bezorgd.

Zending C van de profielvakcspe’s vmbo bb, kb en gl is vanaf 15 februari via de Cito Portal beschikbaar voor de scholen. Zending C bevat: naast de applicaties cspe (zie ook 5.6.2 van de Septembermededelingen) met de handleiding en de bestanden bij de profielvak-cspe’s; dit zijn de digitale bestanden bij de praktische opdrachten, ook de specifieke animaties onderdeel uitmakend van de Instructie voor de Kandidaat. Zending C bevat daarnaast per profielvak-cspe een exemplaar van de beoordelingsmodellen per onderdeel.

Onderdelen en minitoetsen in Facet

Minitoetsen

De minitoetsen worden uitsluitend afgenomen in Facet.

Verklanking

Alle varianten van alle minitoetsen zijn verklankbaar in Facet. In principe geldt dat ook voor de opdrachten van het onderdeel dat via Facet wordt afgenomen. Bij het maken van een afnameplanning in Facet moet door middel van een vinkje aangegeven worden welke kandidaten recht hebben op verklanking. De mogelijkheid om tekst te laten verklanken mag niet voor alle leerlingen gebruikt worden. Kandidaten die gebruik willen maken van verklanking, dienen te beschikken over een hoofdtelefoon.

Proef op de Som is noodzakelijk

Het is noodzakelijk om de Proef op de Som te nemen. Dat wil zeggen dat van tevoren alle aspecten van een afname geoefend wordt aan de hand van voorbeeldopdrachten in Facet. Zo komen leerlingen niet voor het eerst bij de afname met opdrachten waaronder de minitoetsen van cspe’s in Facet in aanraking. De examensecretaris en de docent oefenen met het plannen van de afnames en het overbrengen van de scores naar het beoordelingsschema.

Voorbeeldopdrachten waaronder voorbeeldminitoetsen in Facet

Uiterlijk in januari staan de voorbeeldopdrachten waaronder de voorbeeldminitoetsen klaar als package in Facet. Als het zover is, ontvangt de examensecretaris daarover een bericht van DUO/Facet.

Regelgeving: status correctievoorschrift

Het CvTE heeft de correctievoorschriften bij regeling vastgesteld. Het correctievoorschrift is een zogeheten algemeen verbindend voorschrift en valt onder wet- en regelgeving die van overheidswege wordt verstrekt. De corrector mag dus niet afwijken van het correctievoorschrift.

Bij een schoolexamen gaat de school zelf over het toekennen van het aantal scorepunten aan schoolexamenopdrachten. Het gebruik van het correctievoorschrift wordt aanbevolen, maar is daarom in 2021-2022 niet verplicht.

Als de corrector van mening is dat het correctievoorschrift een onvolkomenheid bevat, neemt hij contact op met het Examenloket via het contactformulier op www.examenloket.nl.

Specifieke informatie per versie

Specifieke informatie PIE bb versie blauw

Bestellijst voor examenonderdeel B

In de instructie voor de examinator van onderdeel B is een bestellijst opgenomen. U kunt deze lijst gebruiken voor het bestellen van materialen voor het werkstuk.

Bijzondere materialen

Naast gangbare materialen is voor het examen ten minste ook nodig:

Voor een installatie-opdracht:

  • een pvc-vloerput van □100 of □130 mm x 50 mm. Deze vloerput is al eerder in cspe’s opgenomen.
  • KlikAanKlikUit-ontvanger AWS-3500S
  • KlikAanKlikUit-zender AYCT-102

Benodigd aantal: ייn vloerput, ontvanger en zender per kandidaat of, als u tussentijds beoordeelt en demonteert, zoveel vloerputten, ontvangers en zenders als het aantal kandidaten dat u gelijktijdig examineert.

Voor een practicumopdracht:

  • 3/2-ventiel handbediend met arretering (vergrendelbaar)

Benodigd aantal: ייn per aantal gelijktijdig te examineren kandidaten

Voor een bedradingsopdracht:

  • programmeerbaar relais 24 V DC of AC/DC DIN-montage met minimaal

3 ingangen en 3 uitgangen

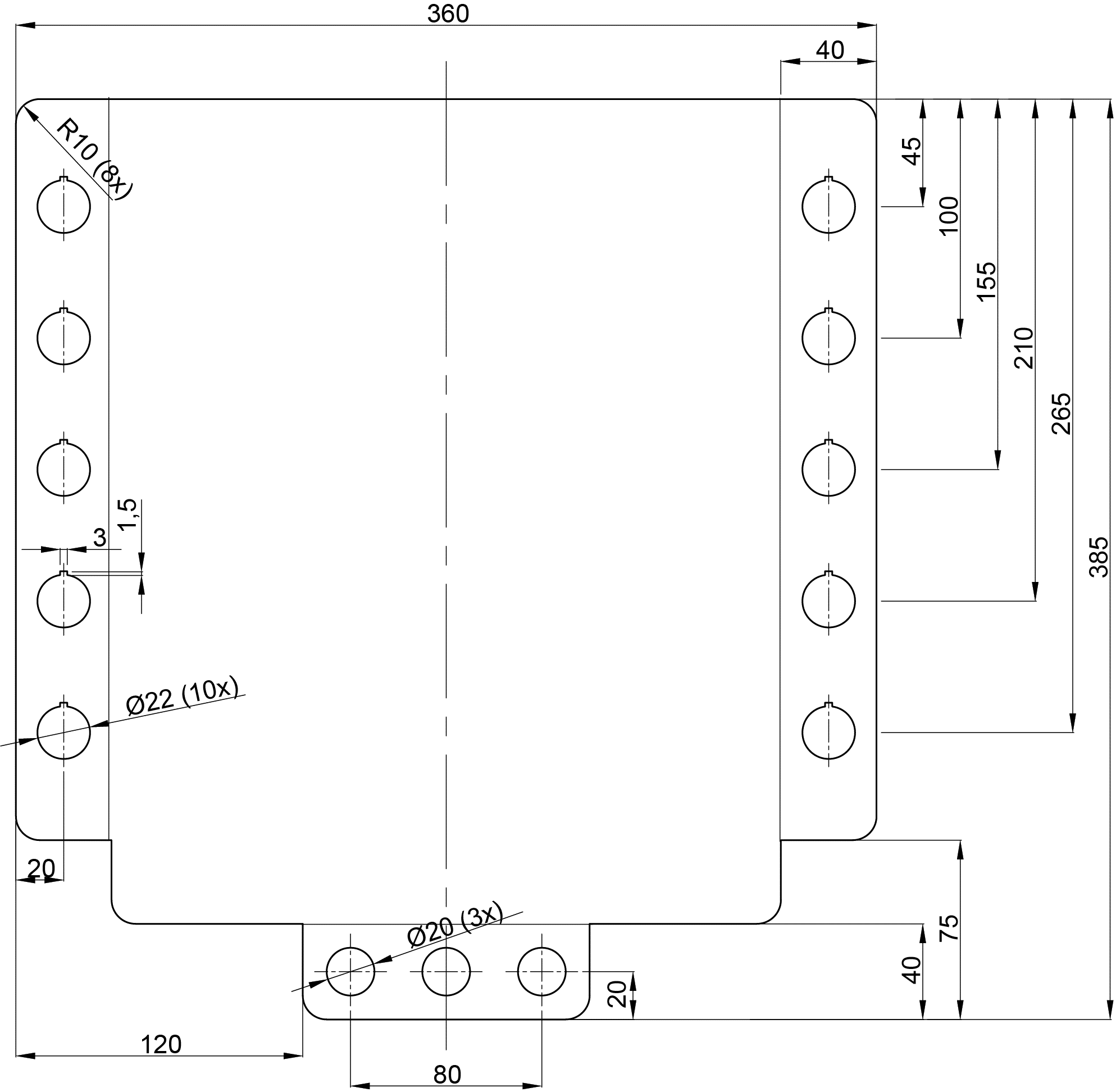
  • een montageplaat met voorgemonteerd bedradingskanaal 25x25 mm en DIN-rail. Deze montageplaat is al eerder in cspe’s opgenomen.*

Benodigd aantal: een montageplaat en programmeerbaar relais per kandidaat of, als u tussentijds beoordeelt en demonteert, zoveel montageplaten en programmeerbare relais als het aantal kandidaten dat u gelijktijdig examineert.

*Opmerking:

Indien u geen montageplaten heeft van voorgaande cspe’s, dan dient u voorafgaand aan het cspe de montageplaten te maken en daarop een bedradingskoker en DIN-rail te monteren. Zie de tekeningen hieronder. U kunt gebruikmaken van het onderstaande dwg- of dxf-bestand om de montageplaten machinaal te maken of te laten maken.

Overzicht onderdelen en ICT PIE bb versie blauw

Het overzicht onderdelen en ICT is vanaf 1 november beschikbaar.

Specifieke informatie PIE kb versie blauw

Bestellijst voor examenonderdeel B

In de instructie voor de examinator van onderdeel B is een bestellijst opgenomen. U kunt deze lijst gebruiken voor het bestellen van materialen voor het werkstuk.

Bijzondere materialen

Naast gangbare materialen is voor het examen ten minste ook nodig:

Voor een installatie-opdracht:

  • een pvc-vloerput van □100 of □130 mm x 50 mm. Deze vloerput is al eerder in cspe’s opgenomen.
  • KlikAanKlikUit-ontvanger AWS-3500S
  • KlikAanKlikUit-zender AYCT-102
  • KlikAanKlikUit-wandschakelaar draadloos AWST-8800

Benodigd aantal: ייn vloerput, ontvanger, zender en wandschakelaar per kandidaat of, als u tussentijds beoordeelt en demonteert, zoveel vloerputten, ontvangers en zenders als het aantal kandidaten dat u gelijktijdig examineert.

Voor een practicumopdracht:

  • een programmeerbaar relais 24 V DC met minimaal 4 ingangen en 4 uitgangen.

Benodigd aantal: ייn per aantal gelijktijdig te examineren kandidaten.

Overzicht onderdelen en ICT PIE kb versie blauw

Het overzicht onderdelen en ICT is vanaf 1 november beschikbaar.

Specifieke informatie PIE gl versie blauw

Bestellijst voor examenonderdeel B

In de instructie voor de examinator van onderdeel B is een bestellijst opgenomen. U kunt deze lijst gebruiken voor het bestellen van materialen voor het werkstuk.

Bijzondere materialen

Naast gangbare materialen is voor het examen ten minste ook nodig:

Voor een practicumopdracht:

  • een programmeerbaar relais 24 V DC met minimaal 4 ingangen en 4 uitgangen.

Benodigd aantal: ייn per aantal gelijktijdig te examineren kandidaten.

Overzicht onderdelen en ICT PIE gl versie blauw

Het overzicht onderdelen en ICT is vanaf 1 november beschikbaar.

Specifieke informatie PIE bb versie rood

Bestellijst voor examenonderdeel B

In de instructie voor de examinator van onderdeel B is een bestellijst opgenomen. U kunt deze lijst gebruiken voor het bestellen van materialen voor het werkstuk.

Bijzondere materialen

Naast gangbare materialen is voor het examen ten minste ook nodig:

Voor een installatie-opdracht:

  • een pvc-vloerput van □100 of □130 mm x 50 mm. Deze vloerput is al eerder in cspe’s opgenomen.
  • KlikAanKlikUit-ontvanger AWS-3500S
  • KlikAanKlikUit-zender AYCT-102

Benodigd aantal: ייn vloerput, ontvanger en zender per kandidaat of, als u tussentijds beoordeelt en demonteert, zoveel vloerputten, ontvangers en zenders als het aantal kandidaten dat u gelijktijdig examineert.

Voor een practicumopdracht:

  • 3/2-ventiel handbediend met arretering (vergrendelbaar)

Benodigd aantal: ייn per aantal gelijktijdig te examineren kandidaten

Voor een bedradingsopdracht:

  • programmeerbaar relais 24 V DC of AC/DC DIN-montage met minimaal 3 ingangen en 3 uitgangen
  • een montageplaat met voorgemonteerd bedradingskanaal 25x25 mm en DIN-rail. Deze montageplaat is al eerder in cspe’s opgenomen.*

Benodigd aantal: een montageplaat en programmeerbaar relais per kandidaat of, als u tussentijds beoordeelt en demonteert, zoveel montageplaten en programmeerbare relais als het aantal kandidaten dat u gelijktijdig examineert.

•Opmerking:

Indien u geen montageplaten heeft van voorgaande cspe’s, dan dient u voorafgaand aan het cspe de montageplaten te maken en daarop een bedradingskoker en DIN-rail te monteren. Zie de tekeningen hieronder. U kunt gebruikmaken van het onderstaande dwg- of dxf-bestand om de montageplaten machinaal te maken of te laten maken.

Overzicht onderdelen en ICT PIE bb versie rood

Het overzicht onderdelen en ICT is vanaf 1 november beschikbaar.

Specifieke informatie PIE kb versie rood

Bestellijst voor examenonderdeel B

In de instructie voor de examinator van onderdeel B is een bestellijst opgenomen. U kunt deze lijst gebruiken voor het bestellen van materialen voor het werkstuk.

Bijzondere materialen

Naast gangbare materialen is voor het examen ten minste ook nodig:

Voor een installatie-opdracht:

  • een pvc-vloerput van □100 of □130 mm x 50 mm. Deze vloerput is al eerder in cspe’s opgenomen.
  • KlikAanKlikUit-ontvanger AWS-3500S
  • KlikAanKlikUit-zender AYCT-102
  • KlikAanKlikUit-wandschakelaar draadloos AWST-8800

Benodigd aantal: ייn vloerput, ontvanger, zender en wandschakelaar per kandidaat of, als u tussentijds beoordeelt en demonteert, zoveel vloerputten, ontvangers en zenders als het aantal kandidaten dat u gelijktijdig examineert.

Voor een practicumopdracht:

  • een programmeerbaar relais 24 V DC met minimaal 4 ingangen en 4 uitgangen.

Benodigd aantal: ייn per aantal gelijktijdig te examineren kandidaten.

Overzicht onderdelen en ICT PIE kb versie rood

Het overzicht onderdelen en ICT is vanaf 1 november beschikbaar.

Specifieke informatie PIE gl versie rood

Bestellijst voor examenonderdeel B

In de instructie voor de examinator van onderdeel B is een bestellijst opgenomen. U kunt deze lijst gebruiken voor het bestellen van materialen voor het werkstuk.

Bijzondere materialen

Naast gangbare materialen is voor het examen ten minste ook nodig:

Voor een practicumopdracht:

  • een programmeerbaar relais 24 V DC met minimaal 4 ingangen en 4 uitgangen.

Benodigd aantal: ייn per aantal gelijktijdig te examineren kandidaten.

Overzicht onderdelen en ICT PIE gl versie rood

Het overzicht onderdelen en ICT is vanaf 1 november beschikbaar.